FF Karten Jumperblock J2
(Tabelle umformatiert, J2-Nexus-Mod eingefügt) |
|||
| Zeile 5: | Zeile 5: | ||
Zusätzlich kann ein Infrarot-Empfänger für die Fernbedienung angeschlossen werden, der mit dem vdr-remote Plugin und ohne LIRC funktioniert. | Zusätzlich kann ein Infrarot-Empfänger für die Fernbedienung angeschlossen werden, der mit dem vdr-remote Plugin und ohne LIRC funktioniert. | ||
| − | + | ||
| − | + | ||
| − | + | ||
| − | + | ||
| − | + | ||
{| border=0 cellpadding=2 cellspacing=1 | {| border=0 cellpadding=2 cellspacing=1 | ||
| Zeile 27: | Zeile 23: | ||
| bgcolor=#efefef|'''S-Video und Composite''' | | bgcolor=#efefef|'''S-Video und Composite''' | ||
| bgcolor=#efefef|'''S-Video''' | | bgcolor=#efefef|'''S-Video''' | ||
| + | |- | ||
| + | | bgcolor=#efefef|''' Pinbelegung''' | ||
| + | | bgcolor=#efefef|[[Bild:J2_vidmode_1.png|thumb|none|180px|J2 mit vidmode=1]] | ||
| + | | bgcolor=#efefef|[[Bild:J2_vidmode_2.png|thumb|none|180px|J2 mit vidmode=2]] | ||
| + | | bgcolor=#efefef|[[Bild:J2_vidmode_3.png|thumb|none|180px|J2 mit vidmode=3]] | ||
|- | |- | ||
| bgcolor=#efefef|'''Pin''' | | bgcolor=#efefef|'''Pin''' | ||
| Zeile 93: | Zeile 94: | ||
|} | |} | ||
| − | + | Der J2 kann auch auf Nexus Rev. 2.1 und Rev. 2.2 nachgerüstet werden (hier ist er eigentlich nicht vorhanden). Siehe hierzu [[J2-Nexus-Mod]]. | |
[[Kategorie:Hardware]] | [[Kategorie:Hardware]] | ||
[[ru:J2 Jumperblock]] | [[ru:J2 Jumperblock]] | ||
Version vom 22. August 2006, 14:25 Uhr
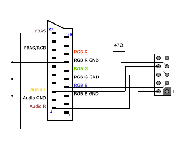
Am J2-Pinblock kann man die folgenden Signale abgreifen: S-Video, RGB, S/PDIF(digital Audio), analog stereo Audio
Je nach DVB-Karte liegen diese Signale auch an einer mitgelieferten Kabelpeitsche an, allerdings ist RGB ausschließlich am J2 erhältlich. (Eine Ausnahme bildet die DVB-C-Karte Fujitsu-Siemens D1121, kurz oft FSC FF genannt, welche über einen von der folgenden Darstellung abweichenden Steckverbinder verfügt und über die mitgelieferte Kabelpeitsche RGB sowie nach Angabe des zusätzlichen Parameters rgb_on auch die nötige Schaltspannung ausgeben kann.)
Zusätzlich kann ein Infrarot-Empfänger für die Fernbedienung angeschlossen werden, der mit dem vdr-remote Plugin und ohne LIRC funktioniert.
| Parm | CVBS RGB OUT (default) | CVBS YC OUT | YC OUT |
| VideoMode | 1 | 2 | 3 |
| aktive Ausgänge | RGB und Composite | S-Video und Composite | S-Video |
| Pinbelegung | |||
| Pin | Signal | Signal | Signal |
| 1 | Composite Video Ausgang | Composite Video Ausgang | Y - Luminanz Ausgang |
| 2 | +5V | +5V | +5V |
| 3 | RGB Blau Ausgang | ||
| 4 | S/PDIF Ausgang | S/PDIF Ausgang | S/PDIF Ausgang |
| 5 | RGB Grün Ausgang | Y - Luminanz Ausgang | |
| 6 | Ausgang Audio rechts | Ausgang Audio rechts | Ausgang Audio rechts |
| 7 | RGB Rot Ausgang | C - Chrominanz Ausgang | C - Chrominanz Ausgang |
| 8 | Ausgang Audio links | Ausgang Audio links | Ausgang Audio links |
| 9 | IR-Empfänger Eingang | IR-Empfänger Eingang | IR-Empfänger Eingang |
| 10 | Masse | Masse | Masse |
Um die drei zur Auswahl stehenden Videomodes zu aktivieren ist der DVB-Treiber mit dem Parameter 'vidmode=[n]' aufzurufen. Wobei n der Mode - siehe Tabelle - ist.
/sbin/modprobe dvb-ttpci vidmode=[1,2,3]
Der J2 kann auch auf Nexus Rev. 2.1 und Rev. 2.2 nachgerüstet werden (hier ist er eigentlich nicht vorhanden). Siehe hierzu J2-Nexus-Mod.
