Consumer Infrared

Aus VDR Wiki
Wechseln zu: Navigation, Suche

Consumer IR, consumer infrared, or CIR, refers to a wide variety of devices employing the infrared electromagnetic spectrum for wireless communications. Most commonly found in television remote controls, infrared ports are equally ubiquitous in consumer electronics, such as PDAs, laptops, and computers. The functionality of CIR is as broad as the consumer electronics that carry it. For instance, a television remote control can convey a "channel up" command to the television, while a computer might be able to surf the internet solely via CIR. The type, speed, bandwidth, and power of the transmitted information depends on the particular CIR protocol employed.


Inhaltsverzeichnis

Links

http://en.wikipedia.org/wiki/Consumer_IR

Empfänger kommerzielle Fertiggeräte

TBD (wer kann hier was schreiben?)

Fertig aufgebaute interne CIR-Empfänger werden von inteset Systems angeboten:

In Deutschland werden sie z.B. von CoHaus Berlin vertrieben: http://www.cohaus-berlin.de/shop/RC6-Infrarot-Empfaenger/Interner-CIR-Infrarot-Empfaenger-mit-RC6-Protokoll-Modell-CIR2-01::86.html

Ein externer Empfänger ist die Smart Remote von ASRock, bei dem die Anschlüsse für den eigentlichen Empfänger über einen USB-Port aus dem Gehäuse herausgeführt werden (kaum noch erhältlich): http://www.asrock.com/mb/spec/card.asp?Model=Smart%20Remote

Empfänger Schaltungen

Hier sollen Selbstbau Vorschläge und Ideen hinein. Viele der einfachen Schaltungen für LIRC sind auch mit kleinen Abwandlungen für CIR geeignet.

Grundlagen: LIRC

Die Pollin-Infrarot-Maus ist eine schöne Grundlage für den Eigenbau. Für CIR kann auch noch der 5V-Regler entfallen.

Empfänger für große Entfernungen

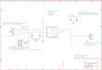
Die einfachen Schaltungen verwenden Open-Kollektor (Open-Drain) Ausgänge und sind daher nicht geeignet wenn die Entfernung zwischen IR-Empfänger und LIRC/CIR-Eingang einige Meter beträgt. Für Serial-Lirc gibt es einen Bauvorschlag mit mehren Transistoren. Diese Schaltung ist für CIR und manche moderne Mainboard nicht geeignet weil sie auf die höhere Spannung traditioneller Com-Ports ausgelegt ist. Außerdem ist die Störsicherheit immer noch grenzwertig.

Nachdem RS-485 seit über 30 Jahren als sehr störsicher bekannt ist, liegt es nahe diesen Standard einzusetzen. Die Schaltung verlängert den Ausgang des IR-Emfängers mit RS-485 Tranceivern.

Der Rest sind eigentlich Zierleisten: Taster für Wake on Ring, LEDs für Power, VDR, Recording und optional eine LED die flackert wenn IR-Signale empfangen werden.

Als Verbindung zwischen den beiden Schaltungsteilen wird ein handelsübliches Lan-Kabel eingesetzt. Damit ist die RS485 über eine verdrillte Leitung angeschlossen.

Es werden sowohl Serial-LIRC als auch CIR (Asrock) unterstützt. Die "Zierleisten" verwenden den Com-Port bzw. dessen RTS, DTR und RI. Getestet wurde die Schaltung mit dem Board B75-Pro3. Die LEDs können auch anders oder am Parallel-Port angeschlossen werden. Dies erfordert dann aber passende Software.

Ein Ziel war ein sanfter Umstieg von Serial-LIRC auf CIR. Daher kann der Vorschlag für beides eingesetzt werden. Wenn CIR läuft, braucht man den Taster zum Einschalten eigentlich nicht mehr. Auch die LEDs könnte man als optional bezeichnen.

Als LED wird idealerweise eine Mehrfarben-LED eingesetzt. Ohne spezielle Software (Vdr-Plugin) und mit LIRC ergeben sich diese Farben: Nach dem Einschalten: gelb, nach Start von LIRC: grün. Alle LED VDR-Plugins sind leider veraltet und werden nicht mehr gepflegt. Daher ist die Aufnahme-Anzeige zunächst noch Zukunftsmusik.

Leider kann man hier keine Eagle-Dateien hochladen!? Und momentan werden keine Vorschaubilder erzeugt (Fehler beim Erstellen des Vorschaubildes). Admin wo bist Du?

Hier können die Dateien heruntergeladen werden.

Receiver mit RS485, beim TV
Receiver mit RS485, beim PC