FF Karten Jumperblock J2

Aus VDR Wiki
(Unterschied zwischen Versionen)
Wechseln zu: Navigation, Suche
K
(copyrighted bilder geloescht)
Zeile 5: Zeile 5:
  
 
Zusätzlich kann ein Infrarot-Empfänger für die Fernbedienung angeschlossen werden, der mit dem vdr-remote Plugin und ohne LIRC funktioniert.
 
Zusätzlich kann ein Infrarot-Empfänger für die Fernbedienung angeschlossen werden, der mit dem vdr-remote Plugin und ohne LIRC funktioniert.
{| border=0 cellpadding=0 cellspacing=0
 
|[[Bild:J2_vidmode_1.png|thumb|none|180px|J2 mit vidmode=1]]
 
|[[Bild:J2_vidmode_2.png|thumb|none|180px|J2 mit vidmode=2]]
 
|[[Bild:J2_vidmode_3.png|thumb|none|180px|J2 mit vidmode=3]]
 
|}
 
  
 
{| border=0 cellpadding=2 cellspacing=1
 
{| border=0 cellpadding=2 cellspacing=1
Zeile 88: Zeile 83:
  
 
{| border=0 cellpadding=0 cellspacing=0
 
{| border=0 cellpadding=0 cellspacing=0
|[[Bild:J2_scart.gif|thumb|none|180px|J2 -> Scart Stecker]]
 
|[[Bild:J2_svideo.gif|thumb|none|180px|J2 -> Svideo Stecker]]
 
 
|[[Bild:j2_anschluss_schema.jpg|thumb|none|236px|J2 -> S/PDIF(Cinch+Toslink)]]
 
|[[Bild:j2_anschluss_schema.jpg|thumb|none|236px|J2 -> S/PDIF(Cinch+Toslink)]]
 
|}
 
|}

Version vom 20. Juli 2005, 12:35 Uhr

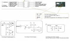
Am J2-Pinblock kann man die folgenden Signale abgreifen: S-Video, RGB, S/PDIF(digital Audio), analog stereo Audio

Je nach DVB-Karte liegen diese Signale auch an einer mitgelieferten Kabelpeitsche an.

Zusätzlich kann ein Infrarot-Empfänger für die Fernbedienung angeschlossen werden, der mit dem vdr-remote Plugin und ohne LIRC funktioniert.

Parm CVBS RGB OUT (default) CVBS YC OUT YC OUT
VideoMode 1 2 3
aktive Ausgänge RGB und Composite S-Video und Composite S-Video
Pin Signal Signal Signal
1 Composite Video Ausgang Composite Video Ausgang Y - Luminanz Ausgang
2 +5V +5V +5V
3 RGB Blau Ausgang
4 S/PDIF Ausgang S/PDIF Ausgang S/PDIF Ausgang
5 RGB Grün Ausgang Y - Luminanz Ausgang
6 Ausgang Audio rechts Ausgang Audio rechts Ausgang Audio rechts
7 RGB Rot Ausgang C - Chrominanz Ausgang C - Chrominanz Ausgang
8 Ausgang Audio links Ausgang Audio links Ausgang Audio links
9 IR-Empfänger Eingang IR-Empfänger Eingang IR-Empfänger Eingang
10 Masse Masse Masse

Um die drei zur Auswahl stehenden Videomodes zu aktivieren ist der DVB-Treiber mit dem Parameter 'vidmode=[n]' aufzurufen. Wobei n der Mode - siehe Tabelle - ist.

/sbin/modprobe dvb-ttpci vidmode=[1,2,3]
J2 -> S/PDIF(Cinch+Toslink)